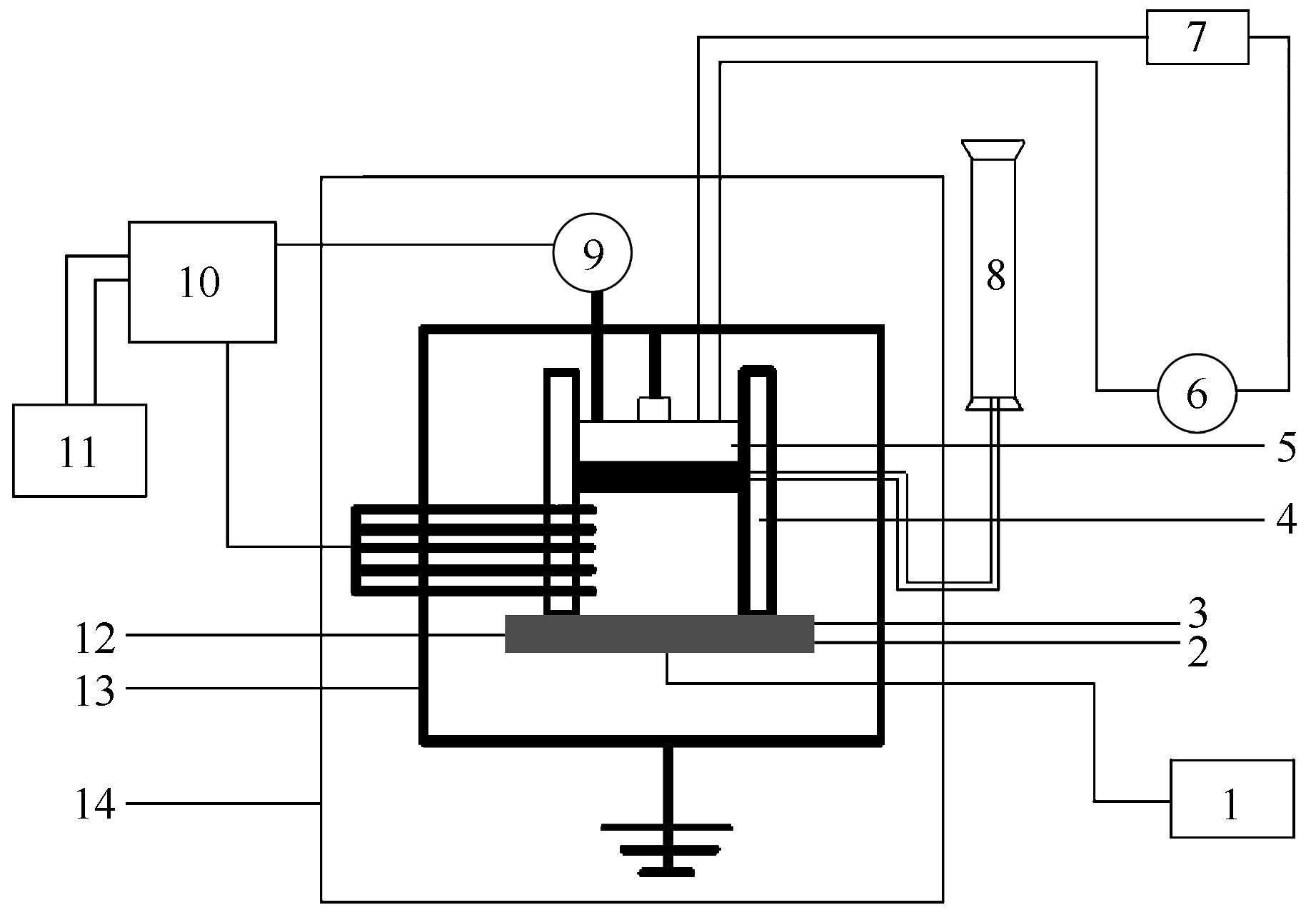
粉质黏土水泥土冻胀融沉特性研究

李思齐, 杨平, 张婷, 鲍俊安

冰川冻土 ›› 2021, Vol. 43 ›› Issue (4) : 1102-1110.

PDF(916 KB)
PDF(916 KB)
冰川冻土 ›› 2021, Vol. 43 ›› Issue (4) : 1102-1110. DOI: 10.7522/j.issn.1000-0240.2018.1194  CSTR: 32264.14.j.issn.1000-0240.2018.1194
寒区工程与灾害

粉质黏土水泥土冻胀融沉特性研究

    {{javascript:window.custom_author_cn_index=0;}}
  • {{article.zuoZhe_CN}}
作者信息 +

Experimental study on the frost heave and thaw settlement properties of cement-improved silty clay

    {{javascript:window.custom_author_en_index=0;}}
  • {{article.zuoZhe_EN}}
Author information +
文章历史 +

本文亮点

{{article.keyPoints_cn}}

HeighLight

{{article.keyPoints_en}}

摘要

{{article.zhaiyao_cn}}

Abstract

{{article.zhaiyao_en}}

关键词

Key words

本文二维码

引用本文

导出引用
{{article.zuoZheCn_L}}. {{article.title_cn}}[J]. {{journal.qiKanMingCheng_CN}}, 2021, 43(4): 1102-1110 https://doi.org/10.7522/j.issn.1000-0240.2018.1194
{{article.zuoZheEn_L}}. {{article.title_en}}[J]. {{journal.qiKanMingCheng_EN}}, 2021, 43(4): 1102-1110 https://doi.org/10.7522/j.issn.1000-0240.2018.1194
中图分类号:

参考文献

参考文献

{{article.reference}}

基金

版权

{{article.copyrightStatement_cn}}
{{article.copyrightLicense_cn}}
PDF(916 KB)

Accesses

Citation

Detail

段落导航
相关文章

/